L  a  y  o  u  t 

Power & Ground Distribution   Ramdac Layout    Analog & Digital Separation  ADC Example
Related Pages
Layout = Stability = E M C = Performance
Bypassing = Shunting = Diversion = Stabilization
Decoupling = Isolation = Separation
Shielding = Blocking = Impeding = Protection
Groundplane = Return  = Sinking  = Referencing
 
Power & Ground
Analog/Digital Power & Ground Distribution
The Use of back-to-back Schottky diodes, between the analog and digital grounds, is to catch any excessive differential shifts in ground potential--steady-state or fast events. This can happen when the distances from the device to the power supply (where the two grounds are reconciled) is excessive. Depending on the XL and Zo of the traces, the system clock's rise and fall times; and the currents involved: the distance or trace lengths, do not have to be very long to cause mischief.
Layout Examples
bt498 Ramdac Layout
Analog & Digital Power and Ground - - S e p e ra t i o n 
Seperation: 
Analog & Digital Power and Ground 
Multiple Layers
 
 



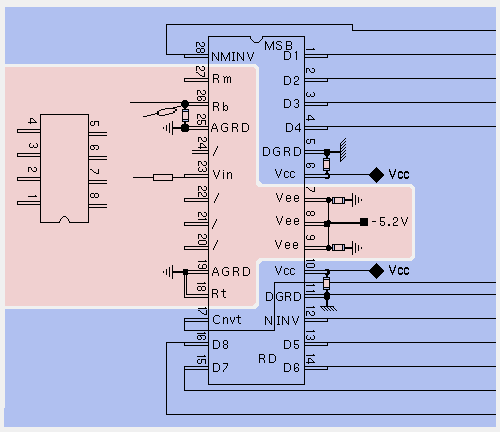
 ADC example:
Separation of Analog/Digital Power & Ground
Analog Devices AD-9020 Flash Convertor

Under Construction in Perpetuity

Web Author: Glen A. Williamson

Suggestions are Solicited, P l e a s e !